Project

Split Level House

This is a custom steel and concrete residence where the bottom floors are below ground level.

Project

Split Level House

This is a custom steel and concrete residence where the bottom floors are below ground level.

Project

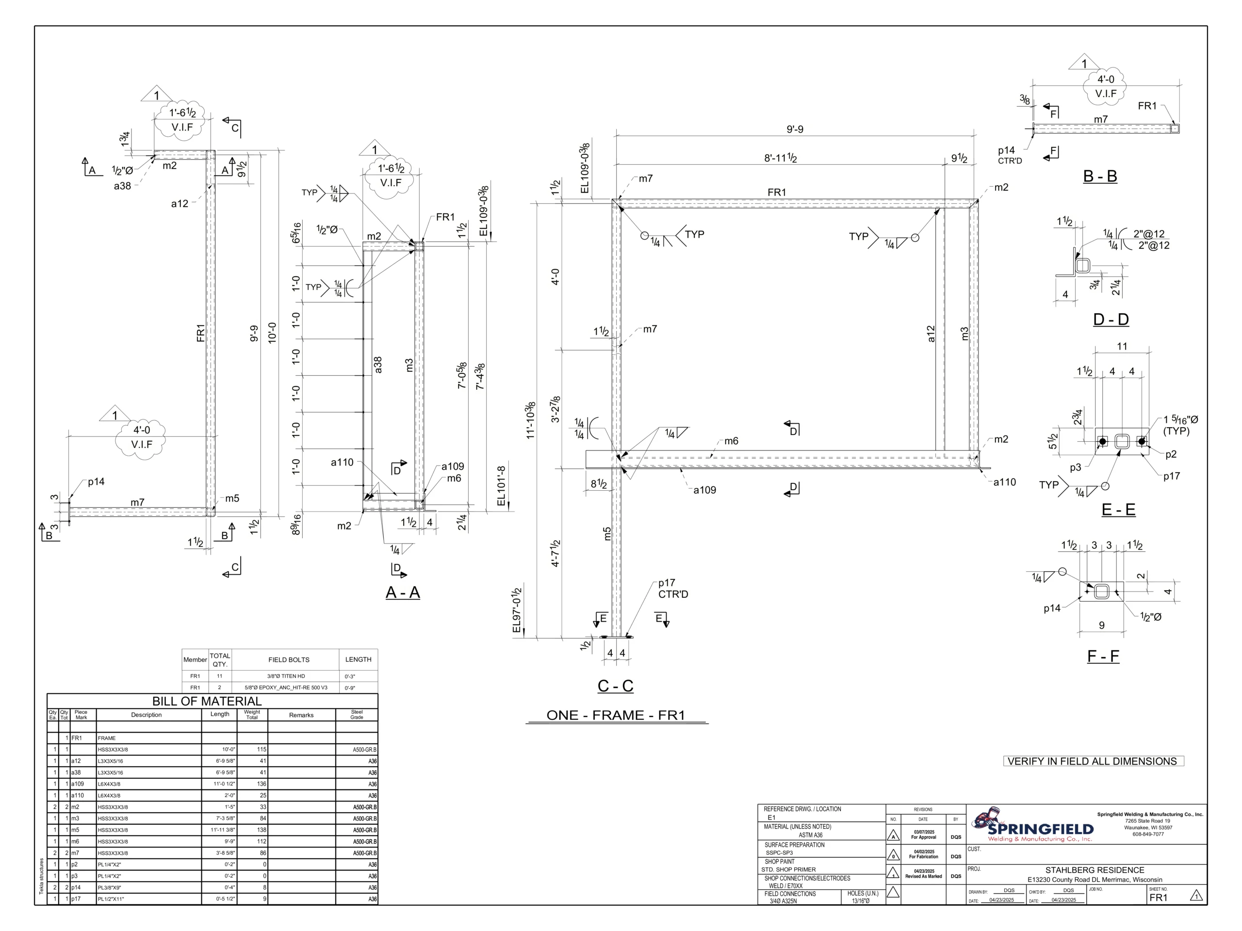
Scope of work

Structural Steel framing, Walkway Cover, Stairs & Rails and custom steel plateshelving and furniture.

Fabricator :

Springfield Welding

Location :

Wisconsin

Weight :

35 Tons

Detailing Software :

Tekla Structures

3D Model

Drawing List

PDF
Stahlberg-ConstructionSet.pdf
PDF • 823 KB • Jan 29, 2026
Download
PDF
E9-R0.pdf
PDF • 124 KB • Jan 29, 2026
Download
PDF
FR1-R1.pdf
PDF • 67 KB • Jan 29, 2026
Download
PDF
E8-RA.pdf
PDF • 231 KB • Jan 29, 2026
Download
PDF
E7-RA.pdf
PDF • 232 KB • Jan 29, 2026
Download

Drawing List